固封極柱主要是由以下五個結構部分組成,小編今天為大家詳細講解一下其中各個結構部分的具體原理: 1、外殼 固封極柱的整個外殼通常由絕緣材料和金屬組成。對外殼的要求首先是氣密封...
型號:EEP7-12/1600-31.5
類型:固封極柱
品牌:大禹漢光(Dayu Hanguang)
產地:湖北孝感
廠家:湖北大禹漢光真空電器有限公司
價格:面議/電詢
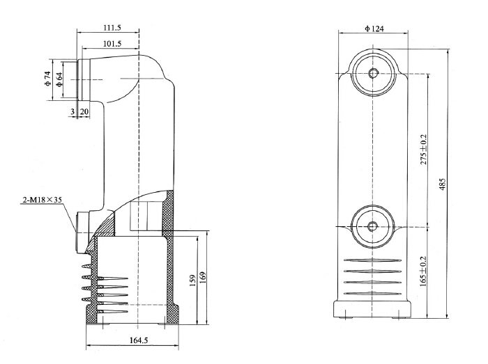
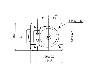
產品結構圖


產品參數表
| 主要技術參數 | 單位 | 規格 | |
| 1600 | 1250 | ||
| 額定電壓 | kV | 12 | |
| 額定電流 | A | 1600 | 1250 |
| 額定頻率 | HZ | 50/60 | |
| 短時(1min)工頻耐受電壓 | kV | 79 | |
| 雷電沖擊耐受電壓 | kV | 125 | |
| 額定短路開斷電流 | kA | 31.5 | |
| 額定峰值耐受電流 | kA | 80 | |
| 額定短路關合電流 | kA | 80 | |
| 額定短時耐受電流 | kA | 31.5 | |
| 額定短路持續時間 | S | 4 | |
| 額定單個電容器組開斷電流 | A | 400 | |
| 額定背對背電容器組開斷電流 | A | 400 | |
| 額定操作順序 | 分-0.3s-合分180S-合分 | ||
| 額定短路開斷電流開斷次數 | 次 | 30 | |
| 機械壽命 | 次 | 20000 | |
| 觸頭自閉力 | N | 140±50 | |
| 額定開距下的觸頭反力 | N | 220±50 | |
| 額定觸頭壓力下限時的回路電阻 | mΩ | ≤25 | |
| 觸頭允許磨損厚度 | mm | 3 | |
| 真空滅弧室內部氣體壓力 | Pa | ≤1x10?3 | |
| 局部放電值 | Pc | ≤5 | |
產品配套真空開關設備的機械特性和機械參數
| 主要技術參數 | 單位 | 規格 | |
| 1600 | 1250 | ||
| 觸頭開距 | mm | 11±1 | |
| 平均分閘速度 | m/s | 1.2±0.2 | |
| 平均合閘速度 | m/s | 0.6±0.2 | |
| 額定觸頭壓力 | N | 3100±200 | |
| 觸頭合閘彈跳時間 | ms | ≤2 | |
| 觸頭合閘和分閘不同期 | ms | ≤2 | |
| 分閘觸頭反彈幅值 | mm | ≤2 | |
7×24小時服務熱線 15971259985