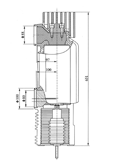
固封極柱是將真空滅弧室及導電端子等零件用環氧樹脂固化連結成一體的集成式極柱,由于真空滅弧室被包封在環氧樹脂之中,幾乎不受外界污穢、潮氣等的不良影響,另外環氧樹脂不僅作為滅弧室的主絕緣,而且...
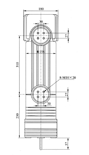
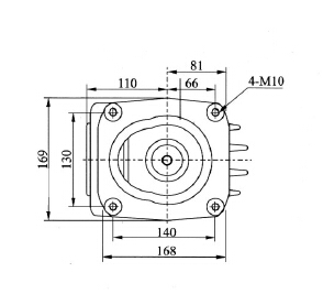
型號:EEP-24/3150-31.5
類型:固封極柱
品牌:大禹漢光(Dayu Hanguang)
產地:湖北孝感
廠家:湖北大禹漢光真空電器有限公司
價格:面議/電詢



| 主要技術參數 | 單位 | 規格 |
| 3150 | ||
| 額定電壓 | kV | 24 |
| 額定電流 | A | 3150 |
| 額定頻率 | HZ | 50/60 |
| 短時(1min)工頻耐受電壓 | kV | 65(79) |
| 雷電沖擊耐受電壓 | kV | 125(145) |
| 額定短路開斷電流 | kA | 31.5 |
| 額定峰值耐受電流 | kA | 80 |
| 額定短路關合電流 | kA | 80 |
| 額定短時耐受電流 | kA | 25 |
| 額定短路持續時間 | S | 4 |
| 額定單個電容器組開斷電流 | A | 400 |
| 額定背對背電容器組開斷電流 | A | 400 |
| 額定操作順序 | 分-0.3s-合分180S-合分 | |
| 額定短路開斷電流開斷次數 | 次 | 20 |
| 機械壽命 | 次 | 10000 |
| 觸頭自閉力 | N | 100±50 |
| 額定開距下的觸頭反力 | N | 200±50 |
| 額定觸頭壓力下限時的回路電阻 | mΩ | ≤25 |
| 觸頭允許磨損厚度 | mm | 3 |
| 真空滅弧室內部氣體壓力 | Pa | ≤1x10?3 |
| 局部放電值 | Pc | ≤5 |
產品配套的真空開關設備的機械特性和機械參數
| 主要技術參數 | 單位 | 規格 |
| 3150 | ||
| 觸頭開距 | mm | 13±1 |
| 平均分閘速度 | m/s | 1.3±0.2 |
| 平均合閘速度 | m/s | 0.6±0.2 |
| 額定觸頭壓力 | N | 3150±200 |
| 觸頭合閘彈跳時間 | ms | ≤2 |
| 觸頭合閘和分閘不同期 | ms | ≤2 |
| 分閘觸頭反彈幅值 | mm | ≤2 |
7×24小時服務熱線 15971259985